Ürün Detay

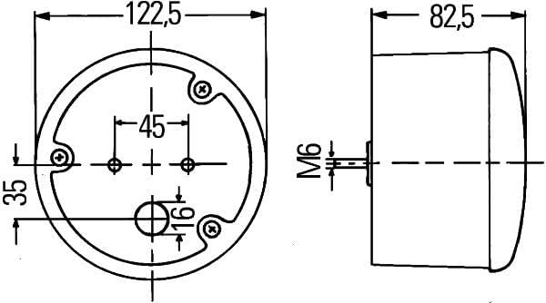
Adı :
SİNYAL
Kodu :
HL.2 BE 964 169 071
Üretici :
HELLA